Electrical Measurement Module Real-Time Power Monitoring and Quality Analysis for Low-Voltage Distribution Systems Elecnova

Electrical Measurement Module Real-Time Power Monitoring and Quality Analysis for Low-Voltage Distribution Systems Elecnova

  • Electrical Measurement Module Real-Time Power Monitoring and Quality Analysis for Low-Voltage Distribution Systems Elecnova
  • Electrical Measurement Module Real-Time Power Monitoring and Quality Analysis for Low-Voltage Distribution Systems Elecnova
Summary
The Elecnova Electrical Measurement Module is a high-precision solution for real-time power monitoring and quality analysis in low-voltage distribution systems. Designed for applications in the renewable energy sector, including energy storage and battery management systems, it offers comprehensive functions such as power metering, status monitoring, and over-limit alarms. Supporting up to 32 three-phase circuits, this module ensures high system efficiency and reliability. Featuring a user-friendly color LCD and compact design, it integrates seamlessly into industrial environments, providing accurate data for optimized energy management.More
  • Electrical Measurement Module Real-Time Power Monitoring and Quality Analysis for Low-Voltage Distribution Systems Elecnova

Sfere700-D1 Display Module

Electrical Measurement Module Technical Specification

Sfere700-M Measuring Module

Electrical Measurement Module Technical Specification 2

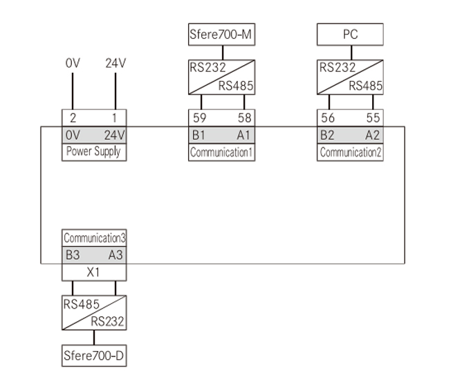
Sfere700-C1 Communication Module

Electrical Measurement Module Technical Specification 3

Electrical Measurement Module Model Selection

Electrical Measurement Module Dimension

Sfere700-C1

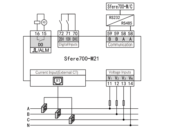
Electrical Measurement Module Typical Wiring

Sfere700-P

Electrical Measurement Module Typical Wiring 2

Sfere700-M1/M2

Electrical Measurement Module Typical Wiring 3
Measurement and Control, Power Quality Improvement Equipment, Electrical Cabinet, Electrical Safety Monitoring System, Energy Management Software, Switch & Breaker, Battery Energy Storage System
Contact Supplier
Download
REQUEST MORE DETAILS
Please fill out the form below and click the button to request more information about
Fill out the form below to make an inquiry
Company*
Country/Region*
FirstName*
LastName*
Email*
Whatsapp/Phone*
Product Description*
Verification code*
We needs the contact information you provide to us to contact you about our products and services.
If your supplier does not respond within 24 hours, we will connect you with three to five qualified alternative suppliers.
我們使用 Cookie 來改善您的線上體驗。 繼續瀏覽本網站,即表示您同意我們使用 Cookie