
280Ah/3.2V Lithium iron phosphate ≤0.5C 768V 672V-864V 2.15MWh
500kW*2 550kW*2 400Vac -10%~15% 50Hz/60Hz 835A*2 >0.98(rated output powe) less than 3%
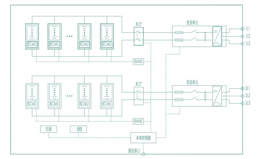
9144×2438×2896 Intelligent temperature control Intelligent air cooling IP54 C4※ -30℃~55℃ 0~95%(Non-condensing) 4000(>2000mDerating operation) Perfluoro, temperature-sensitive, smoke-sensitive, combustible gas, water fire suppression RS485/Ethernet







